作者: 杏盛-张功能发表时间:2020-07-31 13:41:13浏览量:3938【小中大】
如果能清晰看出贴片电阻体上的数字标识,判断电阻值和功率值当然不存在问题。如果损坏电阻本身无标注,或已烧毁得面目全非,看不清标注,那么代换前的电阻值判断就要费一点周折了,而且也必须做到心中有数,才能做出下一步的修复。有哪些方法可以作出较为准确的判断呢?
方法一:参考本机型的相同电路中相对应元件的电阻值。变频器电路中的相同电路很多,如6路IGBT驱动脉冲传输通道,其中6个支路是完全一样的,从MCU脉冲信号输出引脚,至缓冲电路、至驱动IC,至IGBT的栅、射极电路。任何其中1路或数个支路中的电阻或其它元件损坏,可能参考未损坏支路中贴片元件的参数值,如无标识,可在电路板上测量确定或将元件焊脱电路板进行测定。3相输出电流(模拟信号)的传输通道,3个信号检测电路也是一般也是完全相同的,一路有损坏时,可能未损坏两路中的元件参数,确定损坏元件的参数值。
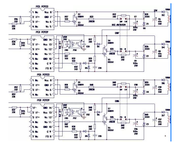
如下图所示,PC5与PC6两路驱动IC的外围电路的元件参数完全相同;PC3与PC8两路驱动IC的外围元件参数完全相同,R17=R51、R23=R48、R22=R49……,当PC3外围有元件损坏坏,可以“照搬”PC5相对应外围元件的参数值进行修复。
同理,对晶体管、二极管、IC芯片等其它元件的损坏,当无法确定损坏元件参数时,可以参照同类型电路元件的参数值进行代换修复。
方法二:据电路类型确定元件参数。如MCU(微控制器)引脚上连接的上拉、下拉电阻损坏,MCU需外接上拉、下拉电阻的数字端口,一般内部为开漏结构,应用上拉或下拉电阻,可以避免I/O口存在电平漂移状态,维持一个静态的稳定电平。
其电阻选值一般为10kΩ、6.8kΩ、5.1kΩ、4.7kΩ、3.3kΩ等,取值过小耗电增大,取值过大,则引发电平漂移或易引入干扰。只要确定损坏贴片电阻为MCU引脚的上位、下接电阻,则可以直接确定该损坏元件的阻值也在3.3~10kΩ的范围之内。当然也可以参考其它上位、下拉电阻的电阻值。

参考相同电路中元件参数示意图

MCU引脚的上拉电阻的电路示意图
U2的脉冲引脚的上拉电阻为5.1k,在3.3~10kΩ的范围之内。
方法三:参考同类机型确定元件参数值。没有相同电路可能参考,也不能像上拉、下拉电阻一样可以大致“估算”出元件的参数,找到同类机型进行比对测量,也能确定损坏元件的参数值。
方法四:调整试验得出元件的参数值。若无同类机型进行参考,需要费点力气测绘出该部分电路,搞明白损坏电阻在电路中的位置和具体作用,与其它元件的连接方法,“估算”出大致的电阻值,若仍无把握,将损坏电阻,暂时接入电位器,变频器上电,调整电位器进行试验,配合人工信号给定、后续电路对信号作出的反应、面板显示等,测出电位器的电阻值,进而确定损坏电阻的参数。
深圳市昂洋科技是拥有十多年的批发代理、生产、销售电容器,电感器,电阻器等产品的综合供应商;主要经营的产品有贴片电容,合金电阻,贴片电阻,二三极管,功率电感,高频电感,磁珠类市面主流的电子元器件,合作的品牌有村田、三星、国巨、xs-、风华等国际大型知名品牌,厂家直接进货,提供技术支持,对产品品质严格把控,欢迎您咨询与合作。